Циклон ЦН-15-300-2СП в Калуге

Цена с НДС:
75 000 рублей
Цена с НДС на циклон ЦН-15-300-2СП с доставкой в
от 75 000 рублей
Условия в
В наличии на складе
Доставка ТК по России и Казахстану
Безналичный расчет
Есть в наличии
Промышленный циклон ЦН 15 2УП
Циклон ЦН-15-2-УП
Пылеуловитель ЦН 15 2УП
Пылеуловители ЦН-15-2-УП
Производство промышленных циклонов ЦН 15 2УП
Производство циклонов ЦН-15-2-УП
Промышленные циклоны ЦН 15 2УП - изготовление
Изготовление промышленных циклонов ЦН-15-2-УП
Циклоны ЦН 15 2УП - изготовление
Изготовление циклонов ЦН-15-2-УП
Золоуловитель ЦН 15 2УП
Золоуловители ЦН-15-2-УП
Промышленный циклон ЦН 15 2УП
Пылеуловитель ЦН 15 2УП
Производство промышленных циклонов ЦН 15 2УП
Промышленные циклоны ЦН 15 2УП - изготовление
Циклоны ЦН 15 2УП - изготовление
Золоуловитель ЦН 15 2УП
Видеообзор
Производительность циклона от 1270 до 2035 м³/ч
Технические
характеристики
Описание
товара
Дополнительное
оборудование
Сертификаты
и гарантии

Технические характеристики циклона ЦН-15-300-2СП

Тип циклона Циклон ЦН 15
Вид ЦН 15-300
Марка ЦН-15-300-2СП
Массовая концентрация пыли в очищаемом газе, не более: для слабослипающихся пылей 1000 г/м³
Массовая концентрация пыли в очищаемом газе, не более: для среднеслипающихся пылей 250 г/м³
Температура рабочей среды до 400 °С
Коэффициент гидравлического сопротивления 195
Внутренний диаметр корпуса циклона ЦН 300 мм
Количество циклонов в группе 2 шт
Площадь сечения цилиндрической части корпуса (группы корпусов) 0.14 м²
Скорость 2.5-4 м/с
Рабочее сопротивление 804-2059 Па
Камера очищенных газов Есть
Вид камеры очищенных газов Газосборная камера
Количество камер очищенных газов 1
Вид пылесборного бункера Пирамидальный
Количество пылесборных бункеров 1 шт
Объем пылесборного бункера 0.12 м³
Размер пылевыгрузного окна бункера 200х200 мм
Размеры циклона ЦН (с учетом бункера): длина*ширина*высота 800х1240х2785 мм
Масса блока циклонов 179 кг
Производительность циклона от 1270 до 2035 м³/ч
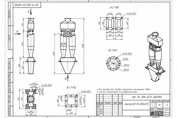
Чертеж циклона ЦН-15-300-2СП
Циклон ЦН-15-300-2СП чертеж

Промышленный циклон ЦН-15-300-2СП в Калуге

Циклон ЦН 15 300 2СП предназначен для сухой очистки воздуха и газов от взвешенных частиц сухой пыли выделяющихся при сушке, обжиге, агломерации, а также в различных помольных и дробильных установках, при транспортировании сыпучих материалов, а также летучей золы при сжигании топлива. Циклон применяется также для аспирации воздуха в различных отраслях промышленности - черной и цветной металлургии, химической, нефтяной и машиностроительной промышленности, промышленности строительных материалов, энергетике и т.д.

Циклон ЦН-15-300х2СП является пылеуловителем, который имеет достаточно простую конструкцию, не требует расходных материалов, а потому их эксплуатация достаточно дешева. Простота конструкции является причиной невысокой цены. Важно отметить, что циклон ЦН эффективно использовать для безотходного производства, так как некоторые виды пыли, что собраны этим пылеуловителем возможно подвергнуть переработке.

Принцип действия циклона

Принцип действия циклона ЦН-15-300 2СП следующий: поток запылённого газа вводится в циклон через входной патрубок тангенциально в верхней части. В аппарате формируется вращающийся поток газа, направленный вниз, к конической части аппарата. Вследствие силы инерции (центробежной силы) частицы пыли выносятся из потока и оседают на стенках аппарата, затем захватываются вторичным потоком и попадают в нижнюю часть, через выпускное отверстие в бункер для сбора пыли. Очищенный от пыли газовый поток затем двигается снизу вверх и выводится из циклона через соосную выхлопную трубу.

Конструкция циклона ЦН-15-300-2СП

Конструкция циклона ЦН 15 300-2СП рассчитана на температуру до 4000 °C и разряжение (давление) 5(500) кПа (кгс/м2). Циклоны  изготавливаются как левого, так и правого исполнения. Они могут устанавливаться как на всасывающей линии вентилятора, так и на нагнетании. В зависимости от этого одиночный циклон комплектуется с улиткой на выходе очищенного воздуха или зонтом. При очистке воздуха от абразивной пыли, вызывающей износ крыльчаток вентилятора, циклоны рекомендуется устанавливать перед вентилятором. В зависимости от пропускной способности по воздуху (газу) и условий применения циклоны ЦН-15-300х2СП изготавливаются одиночного или группового исполнения - из двух, трех, четырех, шести и восьми циклонов. Групповые циклоны могут быть с камерой очищенного воздуха в виде "улитки" или в виде сборника, а одиночные - только с улиткой. В группе циклонов патрубки с выходом очищенного воздуха могут объединяться сборным коллектором с выходом воздуха вертикально и системой улиток каждого циклона, объединенных общим фланцем.

Обозначение циклона ЦН-15-300-2СП

  • ЦН - циклон НИИОгаза;
  • 15 - угол наклона входного патрубка относительно горизонтали (град.);
  • П, Л - "Правое" ("Левое") вращение газа;
  • число после тире (300) - внутренний диаметр цилиндрической части циклона (мм);
  • следующая цифра (2) - количество циклонов в группе;
  • С - с камерой очищенного воздуха в виде сборника";
  • П - пирамидальная форма бункера.

Циклоны ЦН-15, в зависимости от требований предъявляемых к очистке газа, могут иметь либо самостоятельное применение, либо использоваться в качестве агрегатов первой или второй ступеней очистки, в сочетании с другими газоочистными агрегатами.

Технические характеристики циклона ЦН-15-300-2СП

  • Массовая концентрация пыли в очищаемом газе, г/м3:

для слабослипающихся пылей до 1000 


для среднеслипающихся пылей 250

  • Температура очищаемого газа, 0 °C до 400
  • Давление, кПа до 5
  • Коэффициент гидравлического сопротивления циклонов:

для одиночного исполнения 147


для группового исполнения 
с "улиткой" 175 


В технической характеристике циклона ЦН приведены значения производительности, отнесенные к скорости в цилиндрической части циклона V=2,5 и 4,0 м/с. В обычных условиях оптимальной считается скорость 4,0 м/с. Скорость 2,5 м/с рекомендуется принимать при работе с абразивной пылью.
Циклон ЦН может изготавливаться во взрывобезопасном исполнении (конструктивно предусмотрены взрывные клапана, и бункер имеет минимальные размеры во избежание накопления взрывоопасной пыли).
Материал для изготовления циклона ЦН 15 300 2СП - углеродистая сталь при температуре окружающей среды до 40 °С. При температуре ниже -40 °С применяют низколигированные стали.

Циклоны ЦН-15-300-2СП поставляются в разобранном виде.

Габаритные и присоединительные размеры циклона ЦН 15-300-2СП

Наименование L B H H1 H3 D D1 E F a b L1 L2
B
B1
Масса, кг
Циклон ЦН 15-300-2СП 795 638 2940 1820 460 300 172 700 500 206 184 230 439 200 310 290

Купить циклон ЦН-15-300-2СП в Калуге

Для того чтобы купить циклон ЦН-15-300-2СП в Калуге вы можете сделать заявку в отдел сбыта по телефону 8-800-700-06-43, либо оформить заказ онлайн. Инженеры-консультанты дадут консультацию и рассчитают стоимость доставки. Транспортирование может осуществляться автотранспортом, ж/д полувагонами и речным транспортом.

Дополнительное оборудование циклона ЦН-15-300-2СП

Мигалка затвор
Затвор-мигалка
17000 руб. с НДС

Сертификаты и гарантии циклона ЦН-15-300-2СП

Сертификат для золоуловителей
Сертификат на золоуловители

Отзывы о продукции

Другая похожая продукция

101 000 ₽
139 000 ₽
31 000 ₽
40 000 ₽
40 000 ₽